产品展示
产品展示
服务热线:+ 15522010057
立即咨询
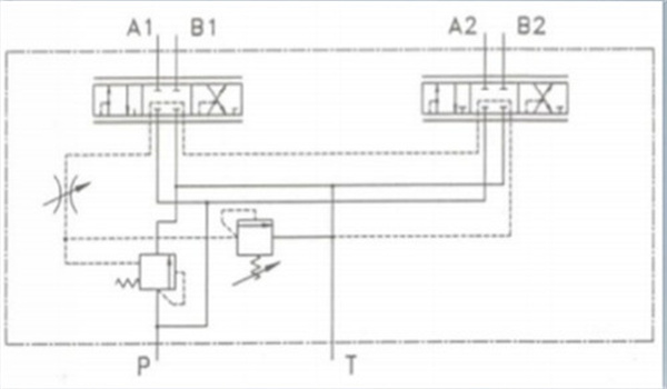
定量泵-3通补偿阀工作原理
发布时间:2022-04-24 16:27 浏览次数:
上一篇:
下一篇:
首页
关于
地图
留言
导航
网站首页
关于我们
新闻中心
产品展示
案例展示
荣誉资质
联系我们